Sensor Operated Flush Valves
The name Sloan stands for quality, durability, value and virtually maintenance-free performance. For many years they have been a leader in the commercial and residential bathroom product industry. PlumbingSupply.com
® is pleased to offer their incomparable line of commercial and residential products.
Click here for their innovative Solis solar faucet.

Look for this symbol to find Sloan products that
meet requirements of the Buy American Act
Royal Optima Electronic, Sensor Activated Toilet / Water Closet Flushometers
Designed for floor mounted or wall hung top spud bowls

Model #110-ES-S
Features:
- Sensor operated flushometers for floor mounted or wall hung top spud toilets
- Chrome plated flushometers for either left or right hand supply
- Synthetic rubber diaphragm with dual filtered fixed bypass for extra durability
- Self-adaptive infrared sensor with indicator light
- User friendly three second flush delay
- Courtesy flush override button
- Non-hold-open integral solenoid operation
- Chrome plated wall cover plates with vandal resistant screws
- 1" I.P.S. screwdriver Bak-Chek angle stop
- Free spinning vandal resistant stop cap
- High back pressure vacuum breaker flush connection
- One-piece bottom hex coupling nut, spud coupling, & flange for 1-1/2" top spud
- Sweat solder adapter with cover tube & cast set screw wall flange
- High copper, low zinc brass castings for dezincification resistance
- Fixed metering bypass with no external volume adjustment to ensure water conservation
- Permex™ rubber diaphragm, stop seat, & vacuum breaker provides chloramine resistance
- ASSE 1037, ANSI/ASME A112.19.6 compliance
- Typical Sloan Optima flushometer installation wiring diagram
- Requires EL-154 transformer (available directly below)
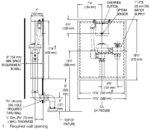
Royal Optima Concealed, Electronic, Sensor Activated Water Closet/Toilet Flushometers
Designed for floor mounted back spud bowls with exposed back spud

Model #140-ES-S
Features:
- Sensor operated water closet flushometer for floor mounted back spud bowls
- Synthetic rubber diaphragm with dual filtered fixed bypass for extra durability
- Self-adaptive infrared sensor with indicator light
- User friendly three second flush delay
- Courtesy flush override button
- Non-hold-open integral solenoid operation
- Chrome plated wall cover plates with vandal resistant screws
- 1" I.P.S. screwdriver Bak-Chek angle stop
- High back pressure vacuum breaker flush connection
- Designed for 1-1/2" exposed back spud
- Sweat solder adapter
- High copper, low zinc brass castings for dezincification resistance
- Fixed metering bypass with no external volume adjustment to ensure water conservation
- Permex™ rubber diaphragm, stop seat, & vacuum breaker for chloramine resistance
- ASSE 1037, ANSI/ASME A112.19.6 compliance
- Typical Sloan Optima flushometer installation wiring diagram
- Requires EL-154 transformer (available directly below)
Royal Optima Concealed, Electronic, Sensor Activated Water Closet/Toilet Flushometers
Designed for wall hung back spud bowls with concealed back spud

Model #152-ES-S
Features:
- Sensor operated water closet flushometer for wall hung back spud bowls
- Synthetic rubber diaphragm with dual filtered fixed bypass for extra durability
- Self-adaptive infrared sensor with indicator light
- User friendly three second flush delay
- Courtesy flush override button
- Non-hold-open integral solenoid operation
- Chrome plated wall cover plates with vandal resistant screws
- 1" I.P.S. screwdriver Bak-Chek angle stop
- High back pressure vacuum breaker flush connection
- designed for 1-1/2" concealed back spud
- Sweat solder adapter
- High copper, low zinc brass castings for dezincification resistance
- Fixed metering bypass with no external volume adjustment to ensure water conservation
- Permex™ rubber diaphragm, stop seat, & vacuum breaker for chloramine resistance
- ASSE 1037, ANSI/ASME A112.19.6 compliance
- Typical Sloan Optima flushometer installation wiring diagram
- Requires EL-154 transformer (available directly below)
Royal Optima Concealed, Electronic, Sensor Activated Water Closet/Toilet Flushometers
Designed for floor mounted or wall hung top spud bowls

Model #153-ES-S
Features:
- Sensor operated water closet flushometer for floor mounted or wall hung top spud bowls
- Synthetic rubber diaphragm with dual filtered fixed bypass for extra durability
- Self-adaptive infrared sensor with indicator light
- User friendly three second flush delay
- Courtesy flush override button
- Non-hold-open integral solenoid operation
- Chrome plated wall cover plates with vandal resistant screws
- 1" I.P.S. screwdriver Bak-Chek angle stop
- High back pressure vacuum breaker flush connection
- designed for 1-1/2" exposed top spud
- Sweat solder adapter
- High copper, low zinc brass castings for dezincification resistance
- Fixed metering bypass with no external volume adjustment to ensure water conservation
- Permex™ rubber diaphragm, stop seat, & vacuum breaker for chloramine resistance
- ASSE 1037, ANSI/ASME A112.19.6 compliance
- Typical Sloan Optima flushometer installation wiring diagram
- Requires EL-154 transformer (available directly below)
Royal Optima Exposed, Electronic, Sensor Activated Urinal Flushometers
Designed for top spud urinals

Model #180-ES-S
Features:
- Sensor operated urinal flushometer for top spud urinals
- Synthetic rubber diaphragm with dual filtered fixed bypass for extra durability
- Self-adaptive infrared sensor with indicator light
- Courtesy flush override button
- Non-hold-open integral solenoid operation
- Chrome plated wall cover plates with vandal resistant screws
- Free spinning vandal resistant stop cap
- High back pressure vacuum breaker flush connection
- One-piece bottom hex coupling nut, spud coupling, & flange for top spud
- Sweat solder adapter
- High copper, low zinc brass castings for dezincification resistance
- Fixed metering bypass with no external volume adjustment to ensure water conservation
- Permex™ rubber diaphragm, stop seat, & vacuum breaker for chloramine resistance
- ASSE 1037, ANSI/ASME A112.19.6 compliance
- Typical Sloan Optima flushometer installation wiring diagram
- Requires EL-154 transformer (available directly below)
Royal Optima Concealed, Electronic, Sensor Activated Urinal Flushometers
Designed for back spud urinals

Model #190-ES-S
Features:
- Sensor operated urinal flushometer for back spud urinals
- Synthetic rubber diaphragm with dual filtered fixed bypass for extra durability
- Self-adaptive infrared sensor with indicator light
- Chrome plated wall cover plate with vandal resistant screws
- Non-hold-open integral solenoid operation
- High back pressure vacuum breaker flush connection
- Spud coupling designed for back spuds
- Sweat solder adapter
- High copper, low zinc brass castings for dezincification resistance
- Fixed metering bypass with no external volume adjustment to ensure water conservation
- Permex™ rubber diaphragm, stop seat, & vacuum breaker for chloramine resistance
- ASSE 1037, ANSI/ASME A112.19.6 compliance
- Typical Sloan Optima flushometer installation wiring diagram
- Requires EL-154 transformer (available directly below)
| Model # |
Description |
Price & Quantity |
| 190-1.0-ES-S |
Concealed flushometer for 1-1/4" back spud urinal 2-3/4" to 10-3/4" LDIM - dimensions - 1.0 GPF |
$643.61 |
| 190-1.5-ES-S |
Concealed flushometer for 1-1/4" back spud urinal 2-3/4" to 10-3/4" LDIM - dimensions - 1.5 GPF |
$643.61 |
| 190-1.5-ES-S |
Concealed flushometer for 1-1/4" back spud urinal 11-3/4" to 12-3/4" LDIM - dimensions - 1.5 GPF |
$749.83 |
| 190-ES-S |
Concealed flushometer for 1-1/4" back spud urinal 2-3/4" to 10-3/4" LDIM - dimensions - 3.5 GPF |
$643.61 |
| 190-ES-S |
Concealed flushometer for 1-1/4" back spud urinal 11-3/4" to 12-3/4" LDIM - dimensions - 3.5 GPF |
$749.83 |
| EL-154 |
120 VAC transformer - for up to 10 flushometers within 50ft. - dimensions - 50VA - EL-154 Transformer requires a 2 gang electrical box |
$71.78 |
|
| 190-WB-1.0-ES-S |
Concealed flushometer w/ 13" x 17" wall box, for 1-1/4" back spud urinal 2-3/4" to 10-3/4" LDIM - dimensions - 1.0 GPF |
$1,150.74 |
| 190-WB-1.0-ES-S |
Concealed flushometer w/ 13" x 17" wall box, for 1-1/4" back spud urinal 2-3/4" to 10-3/4" LDIM - dimensions - 1.0 GPF |
$1,016.72 |
| 190-WB-1.5-ES-S |
Concealed flushometer w/ 13" x 17" wall box, for 1-1/4" back spud urinal 2-3/4" to 10-3/4" LDIM - dimensions - 1.5 GPF |
$1,016.72 |
| 190-WB-1.5-ES-S |
Concealed flushometer w/ 13" x 17" wall box, for 1-1/4" back spud urinal 11-3/4" to 12-3/4" LDIM - dimensions - 1.5 GPF |
$1,150.74 |
| 190-WB-ES-S |
Concealed flushometer w/ 13" x 17" wall box, for 1-1/4" back spud urinal 2-3/4" to 10-3/4" LDIM - dimensions - 3.5 GPF |
$1,150.74 |
| 190-WB-ES-S |
Concealed flushometer w/ 13" x 17" wall box, for 1-1/4" back spud urinal 11-3/4" to 12-3/4" LDIM - dimensions - 3.5 GPF |
$1,150.74 |
| EL-154 |
120 VAC transformer - for up to 10 flushometers within 50ft. - dimensions - 50VA - EL-154 Transformer requires a 2 gang electrical box |
$71.78 |
| Model # |
Description |
Price & Quantity |
| 195-0.5-ES-S |
Concealed flushometer for 3/4" back spud urinal 2-3/4" to 10-3/4" LDIM - dimensions - 0.5 GPF |
$864.70 |
| 195-0.5-ES-S |
Concealed flushometer for 3/4" back spud urinal 11-3/4" to 12-3/4" LDIM - dimensions - 0.5 GPF |
$643.61 |
| 195-1.0-ES-S |
Concealed flushometer for 3/4" back spud urinal 2-3/4" to 10-3/4" LDIM - dimensions - 1.0 GPF |
$643.61 |
| 195-1.0-ES-S |
Concealed flushometer for 3/4" back spud urinal 11-3/4" to 12-3/4" LDIM - dimensions - 1.0 GPF |
$749.83 |
| 195-ES-S |
Concealed flushometer for 3/4" back spud urinal 2-3/4" to 10-3/4" LDIM - dimensions - 1.5 GPF |
$643.61 |
| 195-ES-S |
Concealed flushometer for 3/4" back spud urinal 11-3/4" to 12-3/4" LDIM - dimensions - 1.5 GPF |
$749.83 |
| EL-154 |
120 VAC transformer - for up to 10 flushometers within 50ft. - dimensions - 50VA - EL-154 Transformer requires a 2 gang electrical box |
$71.78 |
|
| 195-WB-0.5-ES-S |
Concealed flushometer w/ 13" x 17" wall box, for 3/4" back spud urinal 2-3/4" to 10-3/4" LDIM - dimensions - 0.5 GPF |
$1,016.72 |
| 195-WB-0.5-ES-S |
Concealed flushometer w/ 13" x 17" wall box, for 3/4" back spud urinal 11-3/4" to 12-3/4" LDIM - dimensions - 0.5 GPF |
$1,016.72 |
| 195-WB-1.0-ES-S |
Concealed flushometer w/ 13" x 17" wall box, for 3/4" back spud urinal 2-3/4" to 10-3/4" LDIM - dimensions - 1.0 GPF |
$1,016.72 |
| 195-WB-1.0-ES-S |
Concealed flushometer w/ 13" x 17" wall box, for 3/4" back spud urinal 11-3/4" to 12-3/4" LDIM - dimensions - 1.0 GPF |
$1,016.72 |
| 195-WB-ES-S |
Concealed flushometer w/ 13" x 17" wall box, for 3/4" back spud urinal 2-3/4" to 10-3/4" LDIM - dimensions - 1.5 GPF |
$1,150.74 |
| 195-WB-ES-S |
Concealed flushometer w/ 13" x 17" wall box, for 3/4" back spud urinal 11-3/4" to 12-3/4" LDIM - dimensions - 1.5 GPF |
$1,150.74 |
| EL-154 |
120 VAC transformer - for up to 10 flushometers within 50ft. - dimensions - 50VA - EL-154 Transformer requires a 2 gang electrical box |
$71.78 |
Royal Optima Concealed, Electronic, Sensor Activated Urinal Flushometers
Designed for 1-1/4" top spud urinals

Model #192-ES-S
Features:
- Sensor operated urinal flushometer for top spud urinals
- Synthetic rubber diaphragm with dual filtered fixed bypass for extra durability
- Self-adaptive infrared sensor with indicator light
- Chrome plated wall cover plate with vandal resistant screws
- Non-hold-open integral solenoid operation
- High back pressure vacuum breaker flush connection
- Spud coupling designed for 1-1/4" top spuds
- Sweat solder adapter
- High copper, low zinc brass castings for dezincification resistance
- Fixed metering bypass with no external volume adjustment to ensure water conservation
- Permex™ rubber diaphragm, stop seat, & vacuum breaker for chloramine resistance
- ASSE 1037, ANSI/ASME A112.19.6 compliance
- Typical Sloan Optima flushometer installation wiring diagram
- Requires EL-154 transformer (available directly below)
| Model # |
Description |
Price & Quantity |
| 192-1.0-ES-S |
Concealed flushometer for 1-1/4" top spud urinal 2-3/4" to 10-3/4" LDIM - dimensions - 1.0 GPF |
$904.66 |
| 192-1.0-ES-S |
Concealed flushometer for 1-1/4" top spud urinal 11-3/4" to 12-3/4" LDIM - dimensions - 1.0 GPF |
$904.66 |
| 192-1.5-ES-S |
Concealed flushometer for 1-1/4" top spud urinal 2-3/4" to 10-3/4" LDIM - dimensions - 1.5 GPF |
$776.47 |
| 192-1.5-ES-S |
Concealed flushometer for 1-1/4" top spud urinal 11-3/4" to 12-3/4" LDIM - dimensions - 1.5 GPF |
$904.66 |
| 192-ES-S |
Concealed flushometer for 1-1/4" top spud urinal 2-3/4" to 10-3/4" LDIM - dimensions - 3.5 GPF |
$904.66 |
| 192-ES-S |
Concealed flushometer for 1-1/4" top spud urinal 11-3/4" to 12-3/4" LDIM - dimensions - 3.5 GPF |
$904.66 |
| EL-154 |
120 VAC transformer - for up to 10 flushometers within 50ft. - dimensions - 50VA - EL-154 Transformer requires a 2 gang electrical box |
$71.78 |
|
| 192-WB-1.0-ES-S |
Concealed flushometer w/ 13" x 17" wall box, for 1-1/4" top spud urinal 2-3/4" to 10-3/4" LDIM - dimensions - 1.0 GPF |
$1,119.48 |
| 192-WB-1.0-ES-S |
Concealed flushometer w/ 13" x 17" wall box, for 1-1/4" top spud urinal 11-3/4" to 12-3/4" LDIM - dimensions - 1.0 GPF |
$1,304.26 |
| 192-WB-1.5-ES-S |
Concealed flushometer w/ 13" x 17" wall box, for 1-1/4" top spud urinal 2-3/4" to 10-3/4" LDIM - dimensions - 1.5 GPF |
$1,304.26 |
| 192-WB-1.5-ES-S |
Concealed flushometer w/ 13" x 17" wall box, for 1-1/4" top spud urinal 11-3/4" to 12-3/4" LDIM - dimensions - 1.5 GPF |
$1,304.26 |
| 192-WB-ES-S |
Concealed flushometer w/ 13" x 17" wall box, for 1-1/4" top spud urinal 2-3/4" to 10-3/4" LDIM - dimensions - 3.5 GPF |
$1,304.26 |
| 192-WB-ES-S |
Concealed flushometer w/ 13" x 17" wall box, for 1-1/4" top spud urinal 11-3/4" to 12-3/4" LDIM - dimensions - 3.5 GPF |
$1,304.26 |
| EL-154 |
120 VAC transformer - for up to 10 flushometers within 50ft. - dimensions - 50VA - EL-154 Transformer requires a 2 gang electrical box |
$71.78 |
| Model # |
Description |
Price & Quantity |
| 197-0.5-ES-S |
Concealed flushometer for 3/4" top spud urinal 2-3/4" to 10-3/4" LDIM - dimensions - 0.5 GPF |
$776.47 |
| 197-0.5-ES-S |
Concealed flushometer for 3/4" top spud urinal 11-3/4" to 12-3/4" LDIM - dimensions - 0.5 GPF |
$904.66 |
| 197-1.0-ES-S |
Concealed flushometer for 3/4" top spud urinal 2-3/4" to 10-3/4" LDIM - dimensions - 1.0 GPF |
$904.66 |
| 197-1.0-ES-S |
Concealed flushometer for 3/4" top spud urinal 11-3/4" to 12-3/4" LDIM - dimensions - 1.0 GPF |
$904.66 |
| 197-ES-S |
Concealed flushometer for 3/4" top spud urinal 2-3/4" to 10-3/4" LDIM - dimensions - 1.5 GPF |
$904.66 |
| 197-ES-S |
Concealed flushometer for 3/4" top spud urinal 11-3/4" to 12-3/4" LDIM - dimensions - 1.5 GPF |
$904.66 |
| EL-154 |
120 VAC transformer - for up to 10 flushometers within 50ft. - dimensions - 50VA - EL-154 Transformer requires a 2 gang electrical box |
$71.78 |
|
| 197-WB-0.5-ES-S |
Concealed flushometer w/ 13" x 17" wall box, for 3/4" top spud urinal 2-3/4" to 10-3/4" LDIM - dimensions - 0.5 GPF |
$1,119.48 |
| 197-WB-0.5-ES-S |
Concealed flushometer w/ 13" x 17" wall box, for 3/4" top spud urinal 11-3/4" to 12-3/4" LDIM - dimensions - 0.5 GPF |
$1,119.48 |
| 197-WB-1.0-ES-S |
Concealed flushometer w/ 13" x 17" wall box, for 3/4" top spud urinal 2-3/4" to 10-3/4" LDIM - dimensions - 1.0 GPF |
$1,119.48 |
| 197-WB-1.0-ES-S |
Concealed flushometer w/ 13" x 17" wall box, for 3/4" top spud urinal 11-3/4" to 12-3/4" LDIM - dimensions - 1.0 GPF |
$1,304.26 |
| 197-WB-ES-S |
Concealed flushometer w/ 13" x 17" wall box, for 3/4" top spud urinal 2-3/4" to 10-3/4" LDIM - dimensions - 1.5 GPF |
$1,304.26 |
| 197-WB-ES-S |
Concealed flushometer w/ 13" x 17" wall box, for 3/4" top spud urinal 11-3/4" to 12-3/4" LDIM - dimensions - 1.5 GPF |
$1,304.26 |
| EL-154 |
120 VAC transformer - for up to 10 flushometers within 50ft. - dimensions - 50VA - EL-154 Transformer requires a 2 gang electrical box |
$71.78 |
Related Items & Accessories
return to top ↑